
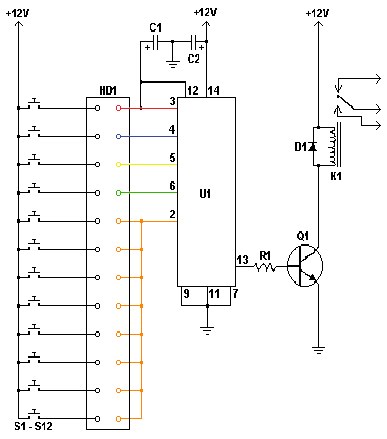
Rangkaian diatas merupakan rangkaian sederhana kunci elektronik dengan menggunakan kode angka untuk membukanya.
Daftar komponen :
C1 1 1uF 25V Electrolytic Capacitor
C2 1 220uF 25V Electrolytic Capacitor
R1 1 2.2K 1/4W Resistor
Q1 1 2N3904 NPN Transistor atau 2N2222
D1 1 1N4148 Rectifier Diode atau 1N4001-1N4007
K1 1 12V SPDT Relay
U1 1 LS7220 Digital Lock IC
S1-S12 12 SPST Pushbutton Keypad (lihat tulisan)
S1-S12 adalah tipe saklar push button bisa dibuat seperti key pad sebagai input angka
Untuk mengatur kodenya hubungkan pin 3, 4, 5 dan 6 U1 ke saklar S sesuai dengan urutan yang dikehendaki. Misalnya kamu ingin kodenya 2378, maka kamu harus menghubungkan S2 ke pin 3, S3 ke pin 4, S7 ke pin 5 dan S8 ke pin 6. Nah selanjutnya sisa saklar yang lain, yaitu S1,S4,S5,S6,S9,S10,S11 dan S12 dihubungkan semuanya ke pin 2, pin 2 merupakan reset sehingga bila kode yang dimasukan salah rangkaian akan ter reset dan kode harus di masukan ulang dari awal.
Bila kombinasi kode yang dimasukan benar maka relay akan aktiv selama 5 detik dan kemudian mati. Waktu aktivnya relay ini bisa diatur dengan merubah nilai C1.
Selamat Mencoba
hobi elektronika
I like the helpful information you provide in your articles.
I'll bookmark your weblog and check again here frequently.
I'm quite sure I will learn plenty of new stuff right here!
Good lck for the next!